Relé Man Man 81259020561
- Kategorie: Multifunkcni rele
- Výrobce:MAN
- Katalogový kód:81259020561
- V nabídce od:12.12.2024
- Dostupnost:na dotaz
- Vaše cena: 430,10 Kč / ks
- 520,40 Kč s DPH
- 18,00 € / 21,77 € s DPH
Informace o produktu
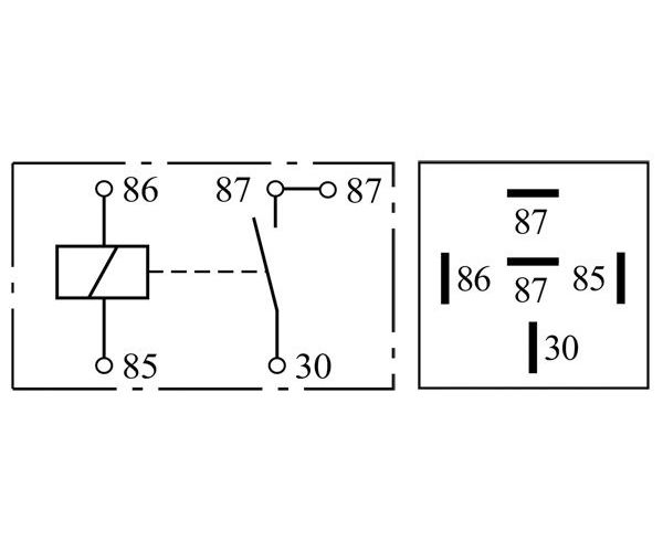
Relé MAN 81259020561 je určené pro použití v systémech vozidel MAN. Jedná se o pracovní relé s přepínací funkcí - spínacím kontaktem. Relé je 5-pólové, s pracovním proudem 20 A a napětím 24 V. Relé MAN 81259020561 je konstruováno pro spínání elektrických obvodů a zajišťuje spolehlivé ovládání zařízení ve vozidle. Provozní teplota relé je v rozsahu od -40 °C do 100 °C. Odpor relé činí 16 ohmů. Použití tohoto relé přispívá k bezpečnému a efektivnímu fungování elektrických systémů ve vozidle. Při výměně relé je důležité dodržovat bezpečnostní předpisy a ujistit se o správném zapojení. Pro zajištění optimálního výkonu a dlouhé životnosti relé doporučujeme pravidelnou kontrolu stavu elektrického systému vozidla.
Technické specifikace
- Typ dílu: Relé
- Pracovní proud: 20 A
- Napětí: 24 V
- Počet pólů: 5
- Funkce relé: Pracovní kontakt
- Přepínací funkce: Spínací kontakt
- Odpor: 16 ohm
- Rozsah teploty: -40 °C až 100 °C
- Kompatibilita: MAN
- Označení dílu: 81259020561
Vlastnosti a výhody
- Pracovní relé: Zajišťuje spolehlivé spínání elektrických obvodů.
- Široký rozsah provozních teplot: Umožňuje použití v náročných podmínkách.
- Přepínací funkce: Spínací kontakt pro efektivní ovládání zařízení.
- 5-pólová konstrukce: Zajišťuje flexibilitu a kompatibilitu s různými systémy.
Poznámky k instalaci
Montáž relé by měla být provedena odborně. Před instalací zkontrolujte správné určení dílu a ujistěte se, že je vozidlo odpojeno od zdroje napájení. Při výměně relé dodržujte bezpečnostní předpisy.
- napeti [V]:24
- intenzita el. proudu [A]:20
- pocet polu:5
- od rozsahu teploty [°C]:-40
- Rozsah teploty do [°C]:100
- Prepínací funkce:Spínací kontakt (relé)
- Odpor [ohm]:16
- Rele funkce:Pracovní kontakt
- MAN SD SD 200 (129kW)
- MAN SD SD 200 (128kW)
- MAN SD SD 200 (141kW)
- MAN SD SD 200 (141kW)
- MAN SL SL 200 (147kW)
- MAN SL SL 200 (177kW)
- MAN SL SL 200 (177kW)
- MAN SÜ SÜ 240 (177kW)
- MAN SÜ SÜ 240 (147kW)
- MERCEDES-BENZ O 302 O 302 (125kW)
- MERCEDES-BENZ O 302 O 302 (141kW)
- MERCEDES-BENZ O 302 O 302 (96kW)
- MERCEDES-BENZ O 317 O 317 (132kW)



